沟槽式蝶阀(XD81...
"A"型消防信号蝶阀
“LT”型消防信号蝶...
法兰蝶阀(D41/3...
法兰伸缩蝶阀(SD3...
手动通风蝶阀(AD3...
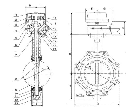
D373H三偏心多层...
D343H三偏心多层...
Z41H闸阀
J41H截止阀
国标电动闸阀
Q41F国标浮动球阀
对夹式蝶型止回阀(D...
H41H国标止回阀
H44H国标止回阀
上装偏心半球阀
多功能水力控制阀
多功能水利控制阀
JD745X隔膜式多...
F745X隔膜式遥控...