產品展示 Products
![]() |
產品名稱: H41H國標止回閥 產品簡介: |
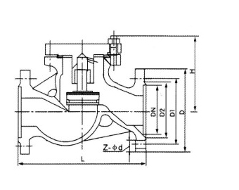
H41H主要外型尺寸 H41H-type Main dimensions
| 公稱壓力 PN(Mpa) |
公稱通徑 DN(mm) |
主要連接尺寸 main connection dimensions |
外形尺寸 Dimensions |
||||
| L | D | D1 | D2 | Z-Φd | H | ||
| 1.6Mpa | 40 | 200 | 145 | 110 | 85 | 4-18 | 95 |
| 50 | 230 | 160 | 125 | 100 | 4-18 | 105 | |
| 65 | 290 | 180 | 145 | 120 | 4-18 | 120 | |
| 80 | 310 | 195 | 160 | 135 | 8-18 | 130 | |
| 100 | 350 | 215 | 180 | 155 | 8-18 | 140 | |
| 125 | 400 | 245 | 210 | 185 | 8-12 | 155 | |
| 150 | 480 | 280 | 240 | 210 | 8-23 | 180 | |
| 200 | 600 | 335 | 295 | 265 | 12-23 | 215 | |
| 2.5Mpa | 40 | 200 | 145 | 110 | 85 | 4-18 | 135 |
| 50 | 230 | 160 | 125 | 100 | 4-18 | 149 | |
| 65 | 290 | 180 | 145 | 120 | 8-18 | 160 | |
| 80 | 310 | 195 | 160 | 135 | 8-18 | 169 | |
| 100 | 350 | 230 | 190 | 160 | 8-23 | 194 | |
| 125 | 400 | 270 | 220 | 188 | 8-25 | 222 | |
| 150 | 480 | 300 | 250 | 218 | 8-25 | 255 | |
| 200 | 600 | 360 | 310 | 278 | 12-25 | 305 | |


.jpg)